• 这里是第一场图片
  • 这里是第一场图片
  • 这里是第一场图片
< >
水检测传感器 EZ-10系列|深圳市越东晟机电设备有限公司|其它sunx神视光纤传感器|松下专用传感器
 您的位置: 深圳市越东晟机电设备有限公司 -> 其它sunx神视光纤传感器 -> 松下专用传感器 -> 水检测传感器 EZ-10系列
水检测传感器
产品名称: 】水检测传感器 EZ-10系列
 
产品简介: 】可靠检测水质
     

详细说明:

穿透力强

不受水滴、气泡、泡沫的影响

可贴近安装

由于穿透力极强,不仅穿透PFA制的油罐等半透明容器,而还能穿透洗发液瓶等不透明容器,确地检测内部的液体。
空容器的穿透力强(典型)
可设定灵敏度调节器,使之不检测水中的水滴、气泡和水面的泡沫。
不受水滴、气泡、泡沫的影响
由于安装了狭缝透光罩,所以可贴近安装,可更精确地检测液位。

备有插入式连接器型

备有能直接连接/断开输出插入式连接器型电缆,能简单快速地进行传感器的更换。

可选的输出操作

可选择入光时ON或遮光时ON工作。输出工作容易更改。

IP67保护构造

其保护构造达到IP67(IEC),并且其安装支架用的全部是不锈钢,所以可以用水冲洗。
注:请注意,如果传感器在工作时暴露在水中,它也许会检测水滴本身。


用途

检测树脂容器内液位

检测水和油的分界面

检测彩色瓶中的液体

即使不透明容器也能准确检测内部的液体。
检测树脂容器内液位
传感器不检测油,但它能准确检测水和油的分界面。
检测水和油的分界面
准确检测半透明彩色瓶中的溶液。
检测彩色瓶中的液体


订购指南

种类 形状 检测距离(注) 型号 输出
NPN输出型 形状 5m (无容器或管道时5m ) EZ-11 NPN开路集电极晶体管
PNP输出型 EZ-11-PN PNP开路集电极晶体管
注:
1) 传感器不附带安装支架,请从另售的传感器安装支架系列中选择(5种类型)。
2) 根据容器或导管的厚度、材质、颜色等的不同,检测距离缩短。

5m电缆长度型和插入式连接器型
备5m电缆长度型(标准:2m)和插入式连接器型(标准:电缆型)。

型号表

种 类 标 准 5m电缆长度型 插入式连接器型 (注)
NPN 输出型 EZ-11 EZ-11-C5 EZ-11-J
PNP 输出型 EZ-11-PN - EZ-11-PN-J
注:请订购插入式连接器匹配电缆。

用于插入式连接器型的匹配电缆(需2根电缆)

种 类 型 号 说 明
直线型 CN-24E-C2 长度:2m 0.2mm2 4芯橡皮电缆,一端带连接器
电缆外径:φ 3.7mm
CN-24E-C5 长度:5m
弯头型 CN-24EL-C2 长度:2m
CN-24EL-C5 长度:5m
·CN-24E-C2,CN-24E-C5 ·CN-24EL-C2,CN-24EL-C5
·CN-24E-C2,CN-24E-C5 ·CN-24EL-C2,CN-24EL-C5


配件(另售)

种 类 型 号 说 明
圆形狭缝
透光罩
OS-CX-05
(狭缝尺寸φ 0.5mm)
单侧安装 ·检测距离:200mm
双侧安装 ·检测距离:10mm
OS-CX-1
(狭缝尺寸φ 1mm)
单侧安装 ·检测距离:400mm
双侧安装 ·检测距离:60mm
OS-CX-2
(狭缝尺寸φ 2mm)
单侧安装 ·检测距离:1m
双侧安装 ·检测距离:250mm
方形狭缝
透光罩
OS-CX-05×6
(狭缝尺寸0.5×6mm)
单侧安装 ·检测距离:800mm
双侧安装 ·检测距离:250mm
OS-CX-1×6
(狭缝尺寸1×6mm)
单侧安装 ·检测距离:1.3m
双侧安装 ·检测距离:600mm
OS-CX-2×6
(狭缝尺寸2×6mm)
单侧安装 ·检测距离:2m
双侧安装 ·检测距离:1.3m
传感器安装
支架(注1)
MS-CX2-1 立式安装支架 (需2个支架。)
MS-CX2-2 横向安装支架 (需2个支架。)
MS-CX2-4 保护用安装支架 (需2个支架。)
MS-CX2-5 下向安装支架 (需2个支架。)
MS-CX-3 倒装式安装支架 (需2个支架。)
通用传感器
安装架(注2)
MS-AJ1 水平安装型 基本装配
MS-AJ2 垂直安装型
MS-AJ1-A 水平安装型 侧臂装配
MS-AJ2-A 垂直安装型
注:
1) 由于连接器突起,插入式连接器型传感器不能使用传感器安装支架。
2) 详情请参阅PDF P.62~通用传感器安装架。

圆形狭缝透光罩

在水检测或对狭长管道内的其他物体检测时,使用狭光。一按即可安装在传感器前部。

方形狭缝透光罩

在水检测或对狭长管道内的其他物体检测时,使用狭光。一按即可安装在传感器前部。
圆形狭缝透光罩 方形狭缝透光罩

传感器安装支架

·MS-CX2-1
·MS-CX2-1
·MS-CX2-2
·MS-CX2-2
·MS-CX2-4
·MS-CX2-4
·MS-CX2-5
·MS-CX2-5
·MS-CX-3
·MS-CX-3
附带2个带垫圈的M3螺丝
(长12mm)
附带2个带垫圈的M3螺丝
(长12mm)
附带2个带垫圈的M3螺丝
(长14mm)
附带2个带垫圈的M3螺丝
(长12mm)
附带2个带垫圈的M3螺丝
(长12mm)

传感器安装支架

·MS-AJ1
·MS-AJ1
·MS-AJ2
·MS-AJ2
·MS-AJ1-A
·MS-AJ1-A
·MS-AJ2-A
·MS-AJ2-A


规格

种 类 NPN输出 PNP输出
型号 EZ-11 EZ-11-PN
检测距离 5m(无容器、管道)(注1)
检测物体 φ 12mm以上液体包括水及不透明体(注2)
电源电压 12~24V DC±10% 脉动P-P10%以下
消耗电流 投光器:25mA以下,受光器:25mA以下
输出
NPN开路集电极晶体管
·最大流入电流:100mA
·外加电压:30V DC以下(输出和0V之间)
·剩余电压:1.5V以下(流入电流为100mA时)
0.4V(流入电流为16mA时)
PNP开路集电极晶体管
·最大源电流:100mA
·外加电压:30V DC以下(输出和+V之间)
·剩余电压:1.5V以下(源电流为100mA时)
0.4V(源电流为16mA时)
输出工作 在入光时ON或遮光时ON之间转换
短路保护 装备
反应时间 12ms以下
工作状态指示灯 橙色LED(输出ON时亮起),位于受光器上
稳定指示灯 绿色LED(稳定受光或稳定遮光时亮起),位于受光器上
电源指示灯 橙色LED(电源ON时亮起),位于投光器上
灵敏度调节器 持续可变调节器



保护构造 IP67(IEC)
周围温度 0~+55°C(注意不可结露、结冰),存储:-30~+70°C
周围湿度 35~85%RH,存储:35~85%RH
周围照明度 白炽灯:受光面照明度3,000x以下
耐电压 AC1,000V 1分钟,所有电源连接端子与外壳之间
绝缘电阻 所有电源连接端子与外壳之间,20MΩ以上,基于DC250V高阻表
耐振动 频率:10~500Hz,双振幅:3mm(最大20G),X,Y和Z方向各2小时
耐冲击 加速度:500m/s2(约50G),X,Y和Z各方向3次
投光二极体 红外线LED(调制式)
材质 聚碳酸酯
电缆 0.2mm2 3芯(投光器:2芯)防油绝缘橡皮电缆,长2m
电缆延长 0.3mm2以上的电缆全长可延长至100m,适用于投光器和受光器
重量 投光器:约45g,受光器:约50g
附件 调整螺丝刀:1个
注:
1) 根据容器或导管的厚度、材质、颜色等的不同,检测距离缩短。
2) 如果双侧安装,每侧的尺寸表示为检测物体的最小尺寸。


I/O电路图

NPN输出型

I/O电路图

线路图

I/O电路图 线路图

PNP输出型

I/O电路图

线路图

I/O电路图 线路图


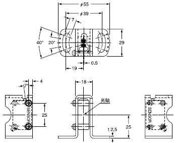
检测特性图(典型)

设定距离和过量增溢之间的相互关系

 
设定距离和过量增溢之间的相互关系  

平行移动特性

角度特性

平行移动特性 角度特性

角度特性带有圆形狭缝透光罩的平行移动特性
(φ 0.5mm)

带有圆形狭缝透光罩的平行移动特性(φ 1mm)

角度特性带有圆形狭缝透光罩的平行移动特性
(φ 0.5mm) 带有圆形狭缝透光罩的平行移动特性(φ 1mm)

带有圆形狭缝透光罩的平行移动特性(φ 2mm)

带有方形狭缝透光罩的平行移动特性(0.5×6mm)

带有圆形狭缝透光罩的平行移动特性(φ 2mm) 带有方形狭缝透光罩的平行移动特性(0.5×6mm)

带有方形狭缝透光罩的平行移动特性(1×6mm)

带有方形狭缝透光罩的平行移动特性(2×6mm)

带有方形狭缝透光罩的平行移动特性(1×6mm) 带有方形狭缝透光罩的平行移动特性(2×6mm)


使用指南

该产品为物体检测传感器,不具有保护生命、财产的功能,为防止事故、确保安全,请谨慎使用。

安装

· 紧固扭矩应在0.5N·m以下。
紧固扭矩应在0.5N·m以下

接线

· 请确认在电源关闭状态下进行接线。
· 请确认电源电压在额定范围内变化。
· 如果电源是由商用开关调节器提供,请确保电源机架接地端子(F.G.)接地。
· 如果在该传感器附近使用产生噪音的设备(开关调节器、转换发动机等),请将设备机架接地端子(F.G.)接地。
· 请勿将电线与高压线或电源线一起或在同一管线内运行线路,这可能会由于感应而引起故障。
· 当将匹配电缆连接至插入式连接器型传感器时,紧固扭矩应在0.4N·m以下。

灵敏度调节器

步骤

灵敏度
调节器

操作
灵敏度
调节器 将灵敏度调节器逆时针方向完全旋转至最小灵敏度位置,MIN。
灵敏度
调节器 装入含水的液体或不透明体时(入光状态),缓慢将灵敏度调节器顺时针旋转至传感器进入“入光”状态操作的A处。
灵敏度
调节器 装入含水的液体或不透明体后(遮光状态),再将灵敏度调节器顺时针方向旋转至传感器进入“入光”状态操作,然后将调节器旋转至传感器返回“遮光”状态操作的B点。
( 如果灵敏度调节器顺时针旋转,传感器仍未进入“入光”状态操作,该极点即是B点。)
灵敏度
调节器 位于A和B中间的位置是最佳检测位置。
注:
1) 用调整螺丝刀缓慢地旋转调节器。过份用力会损坏调节器。
2) 此产品装有特殊投光和受光装置,它们很容易受周围温度和湿度变化的影响,请在实际操作条件下调节灵敏度。
3) 在调节灵敏度时,请确保保留足够的调节空间。

工作模式开关

工作模式开关

操作
工作模式开关 逆时针方向完全旋转开关(L侧),进入入光时ON模式。
工作模式开关 顺时针方向完全旋转开关(D侧),进入遮光时ON模式。

其他

· 电源接通后的短时间(100ms)内,请勿使用。
· 避免灰尘,污垢和水蒸气。
· 请勿将传感器与水、油、油脂或有机溶液,如稀释剂等直接接触。
· 请勿将传感器直接暴露于快速启动灯或高频照明设备的荧光下,这会影响检测性能。

稳定指示灯

· 当入光量达到工作水平时,稳定指示灯(绿色)亮起。如果入光量水平使稳定指示灯亮起,检测能够在没有受光操作和受周围温度或电压改变而影响遮光的情况下完成。
稳定指示灯


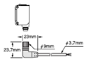
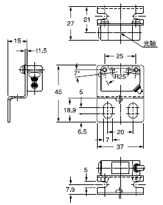
尺寸(单位:mm)

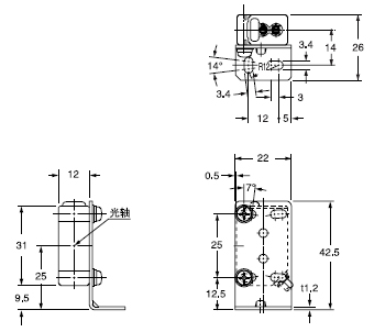
EZ-11/EZ-11-PN 传感器

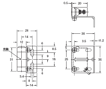
EZ-11-PN/EZ-11-PN-J 传感器

EZ-11/EZ-11-PN 传感器 EZ-11-PN/EZ-11-PN-J 传感器

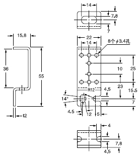
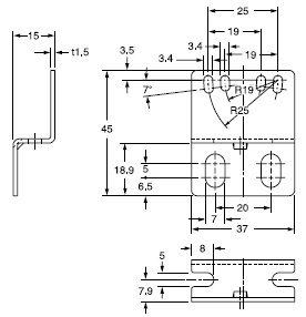
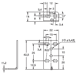
MS-CX2-1 传感器安装支架(另售)

MS-CX2-1 传感器安装支架(另售)
材质:不锈钢(SUS304)
附带2个带垫圈的M3螺丝(长12mm)。
装配尺寸
带EZ-11(-PN)的受光器的安装图MS-CX2-1 传感器安装支架(另售)

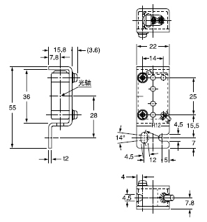
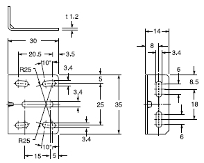
MS-CX2-2 传感器安装支架(另售)

MS-CX2-2 传感器安装支架(另售)
材质:不锈钢(SUS304)
附带2个带垫圈的M3螺丝(长12mm)。
装配尺寸
带EZ-11(-PN)的受光器的安装图MS-CX2-2 传感器安装支架(另售)

MS-CX2-4 传感器安装支架(另售)

MS-CX2-4 传感器安装支架(另售)
材质:不锈钢(SUS304)
附带2个带垫圈的M3螺丝(长14mm)。
装配尺寸
带EZ-11(-PN)的受光器的安装图
MS-CX2-4 传感器安装支架(另售)

MS-CX2-5 传感器安装支架(另售)

MS-CX2-5 传感器安装支架(另售)
材质:不锈钢(SUS304)
附带2个带垫圈的M3螺丝(长12mm)。
装配尺寸
带EZ-11(-PN)的受光器的安装图
MS-CX2-5 传感器安装支架(另售)

MS-CX-3 传感器安装支架(另售)

MS-CX-3 传感器安装支架(另售)
材质:不锈钢(SUS304)
附带2个带垫圈的M3螺丝(长12mm)。
装配尺寸
带EZ-11(-PN)的受光器的安装图
MS-CX-3 传感器安装支架(另售)

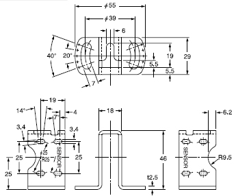
MS-AJ1 通用传感器安装架(另售)

MS-AJ1 通用传感器安装架(另售)
注:支架的尺寸显示活动部分的可调节距离。

MS-AJ2 通用传感器安装架(另售)

MS-AJ2 通用传感器安装架(另售)
注:支架的尺寸显示活动部分的可调节距离。

MS-AJ1/MS-AJ2 通用传感器安装架(另售)

装配尺寸(仅安装部分)
MS-AJ1/MS-AJ2 通用传感器安装架(另售)

MS-AJ1-A 通用传感器安装架(另售)

MS-AJ1-A 通用传感器安装架(另售)
注:
1) 支架的尺寸显示活动部分的可调节距离。
2) 参阅MS-AJ1/AJ2用于传感器安装支架或传感器的装配尺寸。

MS-AJ2-A 通用传感器安装架(另售)

MS-AJ2-A 通用传感器安装架(另售)
注:
1) 支架的尺寸显示活动部分的可调节距离。
2) 参阅MS-AJ1/AJ2用于传感器安装支架或传感器的装配尺寸。
 
    E-mail:yw@sz-yuedong.com  联系电话: 0755-29437766 29437799   管理进入 Copyright© 深圳市越东晟机电设备有限公司   页面执行时间21.97266 毫秒 备案中